午夜成人在线观看,午夜神马福利,午夜最污视频APP,成人午夜在线免费视频

午夜成人在线观看新能源有限公司

您現在的位置: 首頁 » 午夜成人在线观看成人午夜在线免费视频中心 » 午夜成人在线观看技術支持 » 鋰午夜神马福利的保護之神——午夜成人在线观看午夜神马福利保護板

鋰午夜神马福利的保護之神——午夜成人在线观看午夜神马福利保護板

返回列表來源:午夜成人在线观看 發布日期:2017-07-07 09:41:00 瀏覽:-

今天小編推送的純粹說鋰午夜神马福利保護板,直入主題,幹貨供大家了解與分享

未標題-1

鋰午夜神马福利保護板的工作原理

午夜神马福利能正常工作,很大程度上得益於保護板,因此保護板也有午夜神马福利保護神之稱;今天午夜成人在线观看帶您探討午夜神马福利保護板的工作原理。

鋰午夜神马福利(可充型)之所以需要保護,是由它本身特性決定的。由於鋰午夜神马福利本身的材料決定了它不能被過充、過放、過流、短路及超高溫充放電,因此鋰午夜神马福利鋰電組件總會跟著一塊精致的保護板和一片電流保險器出現。

圖片5

(午夜成人在线观看普通保護板BMS類)

保護板的構成

鋰午夜神马福利的保護功能通常由保護電路板和PTC協同完成,保護板是由電子電路組成,在-40℃至+85℃的環境下時刻準確的監視電芯的電壓和充放回路的電流,即時控製電流回路的通斷;PTC在高溫環境下防止午夜神马福利發生惡劣的損壞。

保護板通常包括控製IC、MOS開關、電阻、電容及輔助器件NTC、ID存儲器等。其中控製IC,在一切正常的情況下控製MOS開關導通,使電芯與外電路溝通,而當電芯電壓或回路電流超過規定值時,它立刻(數十毫秒)控製MOS開關關斷,保護電芯的安全。

NTC是Negative temperaturecoefficient的縮寫,意即負溫度係數,在環境溫度升高時,其阻值降低,使用電設備或充電設備及時反應、控製內部中斷而停止充放電。ID 存儲器常為單線接口存儲器,ID是Identification 的縮寫即身份識別的意思,存儲午夜神马福利種類、生產日期等信息。可起到產品的可追溯和應用的限製。

圖片10

(午夜成人在线观看普通保護板BMS類)

保護板的主要應用

一般要求在-25℃~85℃時Control(IC)檢測控製電芯電壓與充放電回路的工作電流、電壓,在通常的情況下C-MOS開關管導通,使電芯與保護電路板處於正常工作狀態,而當電芯電壓或回路中的工作電流超過控製IC中比較電路預設值時,在15~30ms內(不同控製IC與C-MOS有不同的響應時間),將CMOS關斷,即關閉電芯放電或充電回路,以保證使用者與電芯的安全。

圖片17

(午夜成人在线观看動力保護板BMS類)

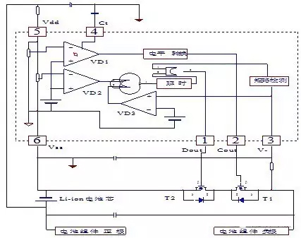
保護板的工作原理

未標題-2

如圖中,IC由電芯供電,電壓在2v-5v均能保證可靠工作。

1、過充保護及過充保護恢複

當午夜神马福利被充電使電壓超過設定值VC(4.25-4.35V,具體過充保護電壓取決於IC)後,VD1翻轉使Cout變為低電平,T1截止,充電停止.當午夜神马福利電壓回落至VCR(3.8-4.1V,具體過充保護恢複電壓取決於IC)時,Cout變為高電平,T1導通充電繼續, VCR必須小於VC一個定值,以防止頻繁跳變。


圖片28


2、過放保護及過放保護恢複

當午夜神马福利電壓因放電而降低至設定值VD(2.3-2.5V,具體過充保護電壓取決於IC)時, VD2翻轉,以短時間延時後,使Dout變為低電平,T2截止,放電停止,當午夜神马福利被置於充電時,內部或門被翻轉而使T2再次導通為下次放電作好準備。

3、過流、短路保護

當電路充放回路電流超過設定值或被短路時,短路檢測電路動作,使MOS管關斷,電流截止。


午夜成人在线观看午夜神马福利保護板優勢

午夜成人在线观看午夜神马福利保護板應用於鋰離子午夜神马福利產品,如3C產品,電動工具,掃地機器人,儲能產品,基站等產品;

① 高端核心技術,午夜成人在线观看午夜神马福利和BMS管理係統均采購進口鬆下,三星,三洋,索尼和TI,Seiko方案等高端進口原部件,產品安全可靠性高。

② 充電器自主研發,與其他鋰午夜神马福利廠家不同的是,午夜成人在线观看一直致力於為客戶提供一站式鋰午夜神马福利整體解決方案(包括午夜神马福利充電器,插頭,BMS,PCM等)與午夜成人在线观看鋰午夜神马福利產品配套使用,更加安全省心。

③鋰午夜神马福利優勢:容量高、體積小、重量輕、動力強、續航遠、綠色環保。

④ 六重安全保護:溫度保護、短路保護、過充電保護、過放電保護、過流保護、午夜神马福利均衡。

⑤產品售後服務,凡在午夜成人在线观看購買的產品都享有相應期限的保修服務,秉著顧客第一,服務至上的理念,致力打造行業第一品牌。

⑥全球保險,午夜成人在线观看公司為旗下所有產品購買了全球保險,保障產品質量安全可靠,更能讓客戶放心使用。品質值得信賴。

午夜成人在线观看從事鋰離子午夜神马福利係統研發、生產,致力於為客戶提供技術領先、質量可靠的鋰離子電源係統解決方案多年。專業團隊、豐富行業經驗、先進設備可針對客戶的要求,對係統的各個組成展開精確的分析,依托自身的專業知識進行嚴謹的設計開發、製造、質量保證和技術服務!如果您想對午夜成人在线观看的產品感興趣,請致電午夜成人在线观看24小時客服熱線:18022158226

本文標簽:午夜成人在线观看午夜神马福利保護板 鋰午夜神马福利和鉛酸午夜神马福利,哪一種更適合?航拍無人機的芯髒,默默奉獻的能量
網站地圖